Pagrindo Plokštė - Kontaktinė Plokštė

Prieinamumas: Sandėlyje (didelis kiekis)
Pristatymas per: 7 Darbo dienos
Svoris: 0.004 kg
Kaina/ vnt.: 0,06 € 0.06
įsk. 21% PVM, be pristatymo išlaidų
Kaina be PVM/ vnt.: (0,05 €)
be 21% PVM, be pristatymo išlaidų

discount mark
Sutaupykite daugiau pinigų naudodami didesnes pakuotes!
Kuo didesnis pakuotės vienetas, tuo mažesnė vieneto kaina!




kiekis vnt.

prekės nėra

pridėti į norų sąrašą
* - Privalomas laukas
Visa Mastercard Google Pay Apple Pay PayPal Bank Transfer
Įvertinimas: 5
Pardavėjas: Synerga
Prekės kodas: PV-20

Aprašymas

Pagrindo Plokštė - Kontaktinė Plokštė

Galimi dydžiai

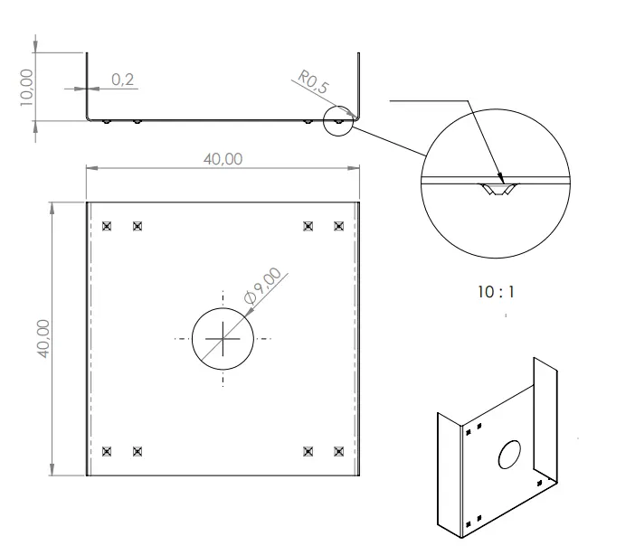
Įžemiklis - kontaktinė plokštelė - įžeminimo ir elektrinio potencialo išlyginimo elementas fotovoltinėje instaliacijoje.

Įžeminimo padėklas - kontaktinė plokštelė yra fotovoltinės instaliacijos montavimo elementas, skirtas fotovoltinių rėmų, konstrukcijų ir modulių potencialams išlyginti. Kontaktinė plokštelė užtikrina galvaninį saulės energijos instaliacijos rėmų jungčių vientisumą.

Aštrių plokštelių paskirtis - pradurti ploną anoduoto aliuminio sluoksnį, dengiantį saulės kolektorių rėmus. Šis sluoksnis yra izoliatorius ir nepraleidžia elektros krūvio. Plokštelės užtikrina tvirtą ir ilgaamžę elektros jungtį, nes pasiekia aliuminio sluoksnį iškart už anoduoto sluoksnio.

Kontaktinė plokštelė pagaminta iš nerūdijančiojo plieno, kuris užtikrina atsparumą korozijai ir nepertraukiamą veikimą daugelį metų.

Specifikacijos

  • Medžiaga: Nerūdijantis plienas 1.4301

A2 plieno savybės - 1.4301 klasė 304

  • Austenitinis (nemagnetinis), lankstus ir įtempiams atsparus nerūdijantis plienas.

A2 plieno savybės - 1.4301 304 klasė

  • Itin didelis atsparumas korozijai, nes į lydinį pridėta nikelio.
  • Tinka visoms aplinkos sąlygoms.

Galimi dydžiai

ilgis [mm]
plotis [mm]
storis [mm]
 
40
40
10
next arrow image

Saugumas (GPSR)

Susijusios prekės

aukštyn
×

VAT ID not verified in VIES!

Peržiūrėti pilną svetainės versiją
Sklep internetowy Shoper.pl