Vidurinis spaustukas H25 L50 - neapdorotas su įžeminimo kaiščiu

Prieinamumas: Sandėlyje (didelis kiekis)
Pristatymas per: 7 Darbo dienos
Svoris: 0.03 kg
Kaina/ vnt.: 0,46 € 0.46
įsk. 21% PVM, be pristatymo išlaidų
Kaina be PVM/ vnt.: (0,38 €)
be 21% PVM, be pristatymo išlaidų

discount mark
Sutaupykite daugiau pinigų naudodami didesnes pakuotes!
Kuo didesnis pakuotės vienetas, tuo mažesnė vieneto kaina!




kiekis vnt.

prekės nėra

pridėti į norų sąrašą
* - Privalomas laukas
Visa Mastercard Google Pay Apple Pay PayPal Bank Transfer
Įvertinimas: 5
Pardavėjas: Synerga
Prekės kodas: PV-04-19

Aprašymas

Vidurinis spaustukas L50 H25 - aukštas - neapdorotas su įžeminimo smeige

Vidurinis prispaudžiamasis spaustukas H25 su įžeminimo smeige yra profesionalus montavimo elementas, skirtas fotovoltinių modulių su rėmelio aukščiu nuo 30 mm ir daugiau tvirtinimui. Pagamintas iš aukštos kokybės aliuminio lydinio 6063-T66, užtikrina patvarų ir saugų saulės panelių tvirtinimą prie laikančiosios konstrukcijos. Elemento paviršius lieka neapdorotas, be papildomų apsauginių dangų, kas leidžia tikslų ir patikimą potencialų išlyginimą tarp instaliacijos elementų.

Išskirtinė šio spaustuko savybė yra du integruoti įžeminimo smeigeliai – po vieną kiekvienai pusei – kurie leidžia greitai ir efektyviai išlyginti potencialus tarp gretimų fotovoltinių modulių, prasiskverbdami pro jų anodizuotą sluoksnį veržlės užsukimo metu. Toks sprendimas ne tik palengvina montavimą, pašalindamas poreikį naudoti papildomas įžeminimo poveržles, bet ir žymiai sutrumpina instaliacijos laiką, užtikrindamas aukštą visos sistemos saugumo ir efektyvumo lygį.

Tai inovatyvus sprendimas, palaikantis žaiboapsaugos ir įtampos apsaugos instaliacijas, ypač naudingas fotovoltinėse sistemose.

Techniniai duomenys

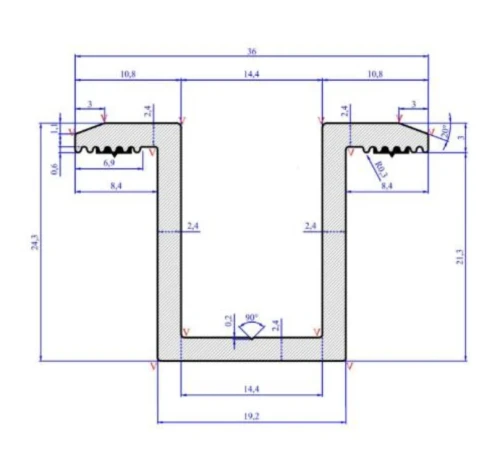
  • Modulio rėmelio aukštis: nuo 30 mm ir daugiau
  • Bendras plotis: 36 mm
  • Bendras aukštis: 24,3 mm
  • Bendras ilgis: 50 mm
  • Vidinio kanalo plotis: 14,4 mm
  • Montavimo angos skersmuo: 9 mm (M8)
  • Medžiaga: aliuminis 6063-T66
  • Apdaila: neapdorotas aliuminis
  • Rekomenduojamas veržimo momentas: tikslią vertę visada reikia patikrinti modulio gamintojo specifikacijoje
  • Naudojami varžtai: M8

Pritaikymas Vidurinis prispaudžiamasis spaustukas yra svarbus tvirtinimo elementas saulės modulių instaliacijos metu – naudojamas dviejų gretimų panelių sujungimui ir tvirtinimui prie aliuminio profilio. Gaminys skirtas saulės modulių montavimui ant plokščių ir nuožulnių stogų. Naudokite vidurinius spaustukus tarp gretimų panelių eilėje. Kraštinių panelių (eilių galuose) tvirtinimui reikia naudoti šoninius spaustukus.

Suderinamumas

  • Aliuminio profiliai, pritaikyti šešiakampiams varžtams
  • Aliuminio profiliai T tipo varžtams
  • Trapecinio profilio stogams iš trapecinio skardos

Privalumai

  • Aukštos kokybės medžiaga – pagaminta iš aliuminio 6063-T66, pasižymi dideliu atsparumu atmosferos sąlygoms.
  • Ilgaamžiškumas – aukšta gamybos kokybė garantuoja patvarų fotovoltinių panelių konstrukcijos tvirtinimą.
  • Atsparumas korozijai – atspari išorinių veiksnių poveikiui ir korozijai.
  • Mechaninis stiprumas – atspari smūgiams ir mechaniniams pažeidimams.
  • Patikimas laidumas – specialiai suprojektuoti smeigeliai prasiskverbia pro panelių anodizuotą dangą, užtikrindami saugų potencialų išlyginimą be poreikio naudoti įžeminimo poveržles.
  • Potencialų išlyginimas – užtikrina laidumo tęstinumą tarp modulių ir laikančiosios konstrukcijos.
  • Rifliuotas paviršius – dantytieji prispaudžiamieji kraštai užtikrina tvirtą sukibimą ir neleidžia panelių slinkti.

Montavimo nurodymai

  • Pritvirtinkite spaustuko ant montavimo bėgelio naudodami slankiąją įvorę ir M8 varžtą.
  • Įdėkite du gretimus fotovoltinių panelių į spaustuko sritį, įsitikindami, kad įžeminimo smeigeliai kontaktuoja su abiejų modulių rėmeliais.
  • Užsukite varžtą – patikrinkite panelių gamintojo specifikaciją – ji nurodo optimalią veržimo jėgą.

Pakuotės turinys Vidurinis prispaudžiamasis spaustukas H25 su įžeminimo smeige. Dėmesio: varžtus, veržles ir slankiąsias įvores reikia įsigyti atskirai.

Ładowanie tabeli porównawczej...

Techniniai duomenys

Spaustuko tipas Vidurinė
Panelės storis [mm] 30-45
Spalva Sidabrinė
Įžeminimo kaištis Taip
Papildoma įranga Be priedų

Saugumas (GPSR)

Susijusios prekės

aukštyn
×

VAT ID not verified in VIES!

Peržiūrėti pilną svetainės versiją
Sklep internetowy Shoper.pl