Galinis spaustukas H35 Aliuminio 6060 skylė M8 Anoduota
prekės nėra
pridėti į norų sąrašą
Aprašymas
Galinis spaustukas H35 Aliuminio 6060 skylė M8 Anoduota
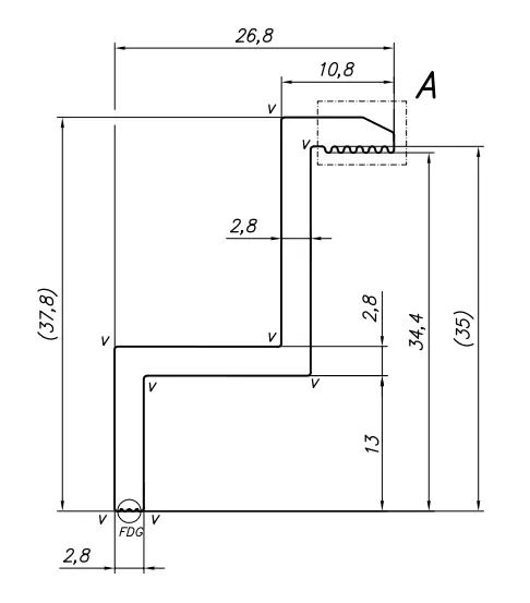
Spaudimo apkaba iš aliuminio 6060 anoduota, 35mm, skylė M8, saulės modulių tvirtinimui.
Spaudimo apkaba arba šoninė tvirtinimo apkaba yra svarbus tvirtinimo elementas saulės modulių montavimui ir skirtas moduliui pritvirtinti prie aliuminio profilio. Ji naudojama saulės moduliams montuoti ant plokščių ir šlaitinių stogų.
Naudokite šonines apkabas apdailos plokštėms, kurios išdėstytos eilėje ant pastato stogo. Tarp plokščių naudokite vidurines apkabas.
Svarbiausias technologinis apkabos parametras yra jos darbinis aukštis, kuris turi atitikti sumontuoto fotovoltinio modulio aukštį. Apkaba H30 yra tinkama 30mm storio plokštei, apkaba H35 – 35mm storio plokštei ir taip toliau.
Dėl estetinių priežasčių šios apkabos turi juodą anodinį apdailą, kuri pagerina elemento patvarumą ir padidina jo atsparumą aplinkos sąlygoms.
Prašome patikrinti plokštės storį, kad jis atitiktų apkabos aukštį.
Daugiau informacijos apie varžtų dydžius rasite paspaudę čia - Informacija apie apkabas - Varžtų dydžių lentelė (DIN 912).
Apkaba suderinama su šiais montavimo profiliais:
- Aliuminio profiliai šešiakampiams varžtams.
- Aliuminio profiliai T formos varžtams.
- Trapezoidiniai profiliai trapecinės skardos stogams.
Specifikacijos
- Medžiaga: Aliuminis 6060 Anoduotas
- Montavimo profilis: skylė M8 varžtui
- Ilgis: 50mm
Aliuminio 6060 savybės
- Atspari korozijai ir išoriniams veiksniams.
- Geras mechaninis atsparumas, smūgiams atspari.
- Tinkama anoduoti, užtikrinant papildomą apsaugą ir dekoratyvinę apdailą.
Techniniai duomenys
| Spaustuko tipas | Kraštinė |
| Panelės storis [mm] | 35 |
| Spalva | Juoda |
| Įžeminimo kaištis | Ne |
| Papildoma įranga | Be priedų |